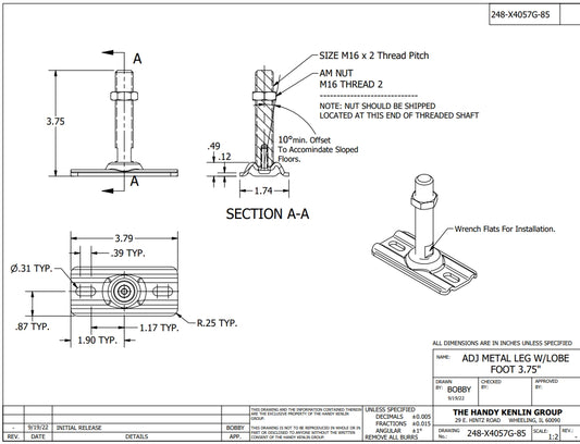
This adjustable metal leg features a lobe-style foot designed to provide stability on sloped or uneven floors. It contains a durable M16 x 2 threaded shaft with wrench flats for...
This adjustable foot features a durable plastic foot attached to a .580" hex rod, mounted in a zinc-plated steel bracket. The bracket is made from thick CRCQ steel and includes...
This 9-inch furniture leg is precision CNC-machined from durable aluminum 6061 with a sleek 10° tapered design that transitions from 1.5" at the top to 2 7/8" x 3 7/8"...
This plastic round leg features a durable 2-inch diameter design ideal for use in furniture or structural applications requiring stable, low-profile support. Made from tough plastic, it offers a lightweight...
This round plastic leg features a durable design with a 2-inch diameter, ideal for supporting furniture or fixtures with stability. Its simple, functional construction makes it a reliable choice for...
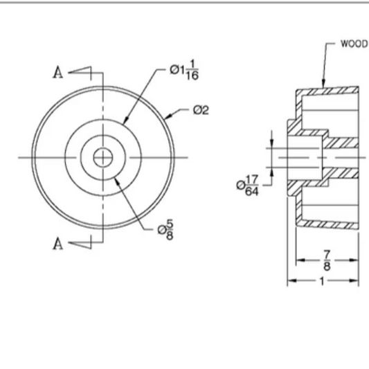
This round plastic furniture leg features a durable HDPE body with a realistic wood grain finish for a clean, natural look. It includes a built-in zinc-plated steel bolt (5/16"-18 thread)...
This plastic leg is a strong, durable component made from high-density polyethylene with a woodgrain textured finish for a clean, furniture grade appearance. The leg offers strong structural support for...
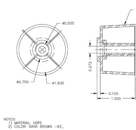
This triangular leg component is made from dark brown HDPE plastic with a wood grain texture finish. The leg features a hollow triangular design with reinforcing ribs and is engineered...
This wooden leg features a sleek, round design with a height of 6 inches and a 2.25-inch diameter, offering both stability and elegance. Crafted from durable rubber wood and finished...
Regular price
$131.27
Regular priceSale price
$131.27
Unit price/ per
Choosing a selection results in a full page refresh.