
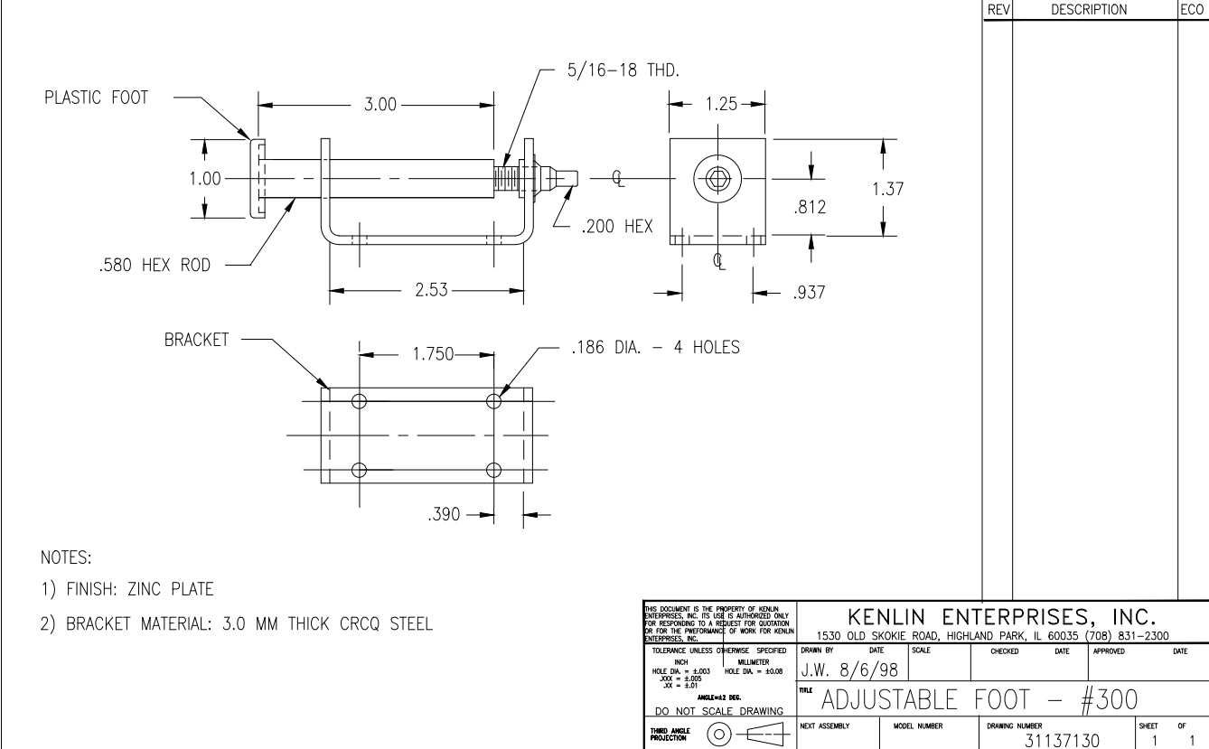
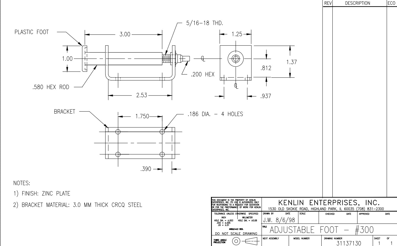
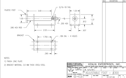
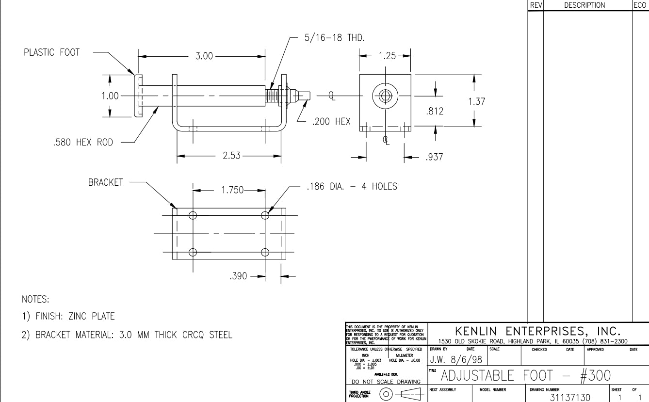
This adjustable foot features a durable plastic foot attached to a .580" hex rod, mounted in a zinc-plated steel bracket. The bracket is made from thick CRCQ steel and includes four mounting holes for secure installation. It incorporates a 5/16"-18 threaded adjustment for leveling support in various furniture or equipment applications.